EN中文
官方热线:0510-66622538
您所在的位置:首页 资讯中心 行业百科 滞报金减免证明办理流程

滞报金减免证明办理流程

滞报金减免证明事项告知承诺制,是指进口货物收货人(以下简称“申请人”)依法提出滞报金减免申请时,海关一次告知其核批条件及所需提交的证明材料。申请人以书面形式承诺其符合申请条件,愿意承担不实承诺的法律责任,海关依据申请人承诺办理滞报金减免事项。

一、适用范围

进口货物滞报金减免需由政府主管部门、非营利性公益组织出具有关证明材料。包括:

1.政府主管部门有关贸易管理规定变更,要求收货人补充办理有关手续或者政府主管部门延迟签发许可证件,导致进口货物产生滞报的;

2.产生滞报的进口货物属于政府间或国际组织无偿援助和捐赠用于救灾、社会公益福利等方面的进口物资或者其他特殊货物的;

因相关司法、行政执法部门工作原因致使收货人无法在规定期限内申报,从而产生滞报的。

二、关于承诺

承诺的方式

进口货物收货人依法提出滞报金减免申请时,海关一次告知其核批条件及所需提交的证明材料。申请人以书面形式承诺其符合申请条件,愿意承担不实承诺的法律责任,海关依据申请人承诺办理滞报金减免事项。

承诺的选择

申请人可自主选择是否采用告知承诺制方式。如不选择告知承诺制方式的,可按一般程序办理。

承诺的事项

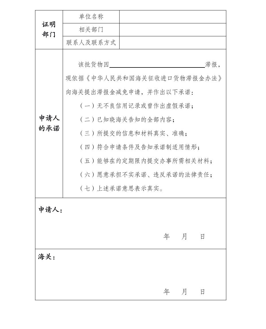
申请人选择告知承诺方式的,需要对下列事项作出确认和承诺:

1.无不良信用记录或曾作出虚假承诺;

2.已知晓海关告知的全部内容;

3.所提交的信息和材料真实、准确;

4.符合申请条件及告知承诺制适用范围;

5.能够在约定期限内提交办事所需相关材料;

6.愿意承担不实承诺、违反承诺的法律责任;

7.上述承诺意思表示真实。

承诺的效力

申请提交告知承诺书后,海关不再要求申请人提交有关主管部门证明材料,由海关根据承诺内容核实情况。

虚假承诺的法律责任

发现申请人承诺内容与实际情况不符的,海关不予减免滞报金。该申请人2年内不再适用告知承诺制,并按照海关相关规定纳入信用管理。

三、海关告知事项与申请材料

海关告知事项

告知承诺方式下,海关将一次性告知以下事项:

1.滞报金减免所依据的法律、法规及相关条款;

2.滞报金减免申请及核批条件;

3.所需提交的相关材料;

5.告知承诺制适用范围及办理要求;

6.申请人义务及虚假承诺、违反承诺的法律责任;

7.海关认为应当告知的其他事项。

滞报金减免证明办理流程

滞报金减免证明办理流程

申请材料

根据现行一般程序规定,申请人向海关申请减免滞报金应当提交下列材料:

1.减免滞报金申请书;

2.有关主管部门证明材料;

3.有关证明文件及相关进口许可证复印件(如:配额证明、许可证、减免税证明、担保凭据等);

4.进口货物报关单证;

5.滞报金缴款通知书复印件。

申请人选择告知承诺方式的,按规定提交经法定代表人签章并加盖机构公章的《证明事项告知承诺书(进口货物滞报金减免)》(以下简称《告知承诺书》)后,仅需提交第(1)、(3)、(4)、(5)项申请材料,免于提交上述第(2)项有关主管部门证明材料。

四、办理流程

1.申请人选择告知承诺方式申请减免滞报金的,应当自收到海关滞报金缴款通知书之日起30个工作日内,以书面形式向申报地海关提交相关材料。申请人可从海关总署及各直属海关门户网站下载或在受理海关现场领取《告知承诺书》文本。

2.申请人应如实填写相关基本信息及有关滞报金产生的原因,认真阅读并作出确认和承诺,由法定代表人在申请人处签章或签名并加盖机构的公章、填写申请日期。一式两份,同时提交减免滞报金申请书、证明文件及相关进口许可证件复印件、进口货物报关单证、滞报金缴款通知书复印件。

3.海关依据承诺内容核实情况,符合告知承诺证明事项要求的,海关填写日期并签章。如相关资料不齐或不符合法定形式的,海关应当一次性告知需要补正的全部内容。如发现实际情况与承诺内容不符的,不予减免滞报金。该申请人2年内不再适用告知承诺制,并按照海关相关规定纳入信用管理。

来源:合肥海关12360海关热线,如您需要国际物流服务欢迎联系我司咨询。

标签:
上一篇:装运前检验证书办理流程及出口需要装运前检验的国家有哪些?
下一篇:铜矿砂及其精矿进口申报手续
江苏佳利达国际物流股份有限公司是国内领先的一体化综合物流服务商,主营:国际货运代理、国内物流供应链管理保税物流等业务。

留言板

法律声明

本网站由江苏佳利达国际物流股份有限公司(以下简称“本公司”)设立,阁下在使用本网站前请务必细心阅读以下条文,如有疑问请和本公司联系,否则将视为已充分知晓并接受本声明全部内容: 

版权声明

本网站的版面设计、数据、信息、图案、声音、程序及其它相关内容的所有权、著作权及其它权利由本公司享有,此种权利受到《中华人民共和国民法典》、《中华人民共和国著作权法》及其它法律、法规、规范性法律文件及相关国际条约的保护,任何对上述权利的侵犯均有可能导致承担民事、行政或刑事责任。其他媒体、网站或个人转载使用时不得进行商业性的原版原式的转载,亦不得歪曲和篡改本网站所发布的内容。如转载须注明文章来源。

隐私声明

尊重用户隐私是本网站的一项基本原则。本网站不会公开用户保存在网站上的非公开内容,除非有法律许可、要求或在以下三种情况发生时,本网站认为透露这些内容是必要的:遵从本网站合法服务程序;法律法规规定必要时必须为第三方提供的;在紧急情况下,为保护网站和全体用户利益和公众安全。

免责声明

本网站设立目的在于介绍本公司业务及方便用户查询或咨询。

本公司不对本网站内关于本公司的任何数据的准确性和完整性作出声明,亦不会对本网站所载数据的更新的准确性和完整性负责。

本网站登载的所有内容,包括但不限于新闻报道、其他第三方文章等,是为了方便用户了解相关信息,有关该等内容所载数据的准确性或完整性,本公司概不作任何声明。

本网站所载的所有数据仅供参考,对由于使用或依赖本网站所载的任何资料或有关本公司任何资料的遗漏而直接或间接引致的任何损失本公司概不负任何法律责任。

本网站内所设的网站链接是为用户提供方便,对从链接的网站收到的网络传送或任何其它形式的传输,本网站不承担任何责任。 

本网站如转载其它媒体作品的目的在于传递更多信息,并不代表本网站赞同其观点和对其真实性负责;其他媒体、网站或个人转载使用时必须保留本站注明的文章来源,并自负法律责任。

由于本网站而引起的一切诉讼或争议均应使用中华人民共和国法律。本网站保留随时更正、修改更新本声明的权利。

佳利达官网隐私政策


  • 更新日期:2021-11-3
  • 生效日期:2021-11-3
  • 本隐私政策将帮助您了解:

1)为了保障产品的正常运行,实现登录、搜索等核心功能以及其他功能,我们会收集您的部分必要信息;

2)在您进行登录、下单或使用基于地理位置的服务时,基于法律要求或实现功能所必须,我们可能会收集姓名、联络方式、通讯录、地理位置等个人敏感信息。您有权拒绝向我们提供这些信息,或者撤回您对这些信息的授权同意。请您了解,拒绝或撤回授权同意,将导致您无法使用相关的特定功能;

3)我们会将在境内运营过程中收集和产生的您的个人信息存储于中华人民共和国境内,并不会将上述信息传输至境外。我们仅会在为提供“佳利达官网”及服务之目的所必需的期间内保留您的个人信息;

4)我们不会向第三方共享、提供、转让或者从第三方获取您的个人信息,除非经过您的同意;

5)我们将努力采取合理的安全措施来保护您的个人信息。特别指出,我们将采用行业内通行的方式及尽最大的商业努力来保护您个人敏感信息的安全;

江苏佳利达国际物流股份有限公司(以下简称“我们”)深知个人信息对您的重要性,我们将按照法律法规的规定,采用安全的保护措施,保护您的个人信息及隐私安全。因此,我们制定本“隐私政策”并特别提示:希望您在使用“佳利达官网”及相关服务前仔细阅读并理解本隐私政策,您可以按照指引作出您的适当选择。

本隐私政策将帮助您了解以下内容:

一、我们如何收集和使用个人信息

二、我们对 Cookie 和同类技术的使用

三、我们如何存储个人信息

四、我们如何共享、转让、公开披露个人信息

五、您的权利

六、我们如何处理儿童的个人信息

七、您的个人信息如何在全球范围转移

八、本隐私政策如何更新

九、如何联系我们

一、我们如何收集和使用个人信息

在您使用“佳利达官网”及服务的过程中,我们将根据合法、正当、必要的原则,收集信息。我们收集或请您提供的信息将用于:

1.保障产品的正常基础运行;2.实现各项功能和服务;3.优化、改善产品和服务;4.保障产品、服务以及用户使用安全;5.遵循法律法规与国家标准的规定。

(一)我们主动收集与使用的个人信息

我们会按照如下方式收集您在使用服务时主动提供的,以及您在使用功能或接受

服务过程中产生的信息:

1.保障“佳利达官网”和相关服务的正常运行

当您使用“佳利达官网”及相关服务时,为了保障软件与服务的正常运行,我们会

收集您的硬件型号、操作系统版本号、软件版本号、网络接入方式及类型、

操作日志等信息。请您了解,这些信息是我们提供服务和保障产品正常运行所必

须收集的基本信息。

2.登录“佳利达官网”及相关服务

1当您登录“佳利达官网”及相关服务时,您可以通过手机号创建账号,您将

接收到我们发送的短信验证码,佳利达官网将通过该短信验证码来验证您的身份是否有效。

2)为了提供您使用“佳利达官网”及相关服务的安全性,确保操作环境安全与识别账号安全状态,更好地保护您或者其他用户或公众的人身财产安全免遭侵害,您可以选择向我们提供照片、昵称、姓名、身份证或者其他身份证明、性别、年龄、行业、公司、职业、个性签名。我们可能使用或整合您所提供的上述信息,且经您授权后我们可以向其他第三方获取您的征信信息、职业信息,借此来综合判断您账户及交易风险、进行身份验证、监测及范范安全事件等。您可以在个人账户资料中选择是否填写上述信息;如您提供上述信息,可能可以提升“佳利达官网”信息撮合的成功率,如您拒绝提供上述信息,可能会降低信息撮合的成功率。

3.为您提供搜索服务

您使用“佳利达官网”的搜索服务时,我们会收集您的搜索关键字信息、日志记录等。为了提供高效的搜索服务,部分前述信息会暂时存储在您的本地存储设备之中,并可向您展示搜索结果内容、搜索历史记录。

4.开展营销活动

当您选择参加我们举办的有关营销活动时,根据活动需要您可提供姓名、照片、

身份证信息、通信地址、联系方式、银行卡号等信息。这些信息可以帮助我们对活动结果进行公示,对活动进行后续宣传,与您取得联系(如您的个人电话号码会被用于发送邀请用户、分享短信等营销活动中),向您发放礼品或转账,如果您拒绝提供这些信息,可能导致无法参加相应活动,或无法收到礼品、转账。

5.保障产品、服务及用户使用安全

为了开展数据分析和更好改善“佳利达官网”的服务,我们会收集您的日志信息,包括检索内容、IP地址、设备信息(包括设备型号、设备识别码、操作系统、系统语言、分辨率、电信运营商、SIM归属地),以及使用软件及相关服务的频率、崩溃数据、总体安装、使用情况、性能数据等信息,做出特征模型并进行用户画像,以为您提供更加个性化、便捷的服务。我们会使用浏览器网络存储机制和应用程序数据缓存,在您的设备上收集信息并进行本地存储。

(二)收集、使用个人信息目的变更的处理

请您了解,随着我们业务的发展,可能会对“佳利达官网”的功能和提供的服务有所调整变化。原则上,当新功能或服务与登录、下单、搜索、充值等场景相

关时,收集与使用的个人信息将与原处理目的具有直接或合理关联。在与原处理目的无直接或合理关联的场景下,我们收集、使用您的个人信息,会通过页面提示、交互流程、网站公告、另行签署协议等方式另行向您说明信息收集的内容、范围和目的,以征得您的同意。

(三)依法豁免征得同意收集和使用的个人信息

请您理解,根据相关法律法规及国家标准,以下情形中,我们可能会共享、转让、公开披露个人信息无需事先征得个人信息主体的授权同意:

1)与国家安全、国防安全直接相关的;

2)与公共安全、公共卫生、重大公共利益直接相关的;

3)与犯罪侦查、起诉、审判和判决执行等直接相关的;

4)出于维护个人信息主体或其他个人的生命、财产等重大合法权益但又很难得到本人同意的;

5)所收集的您的个人信息是您自行向社会公众公开的;

6)从合法公开披露的信息中收集的您的个人信息的,如合法的新闻报道、政府信息公开等渠道;

7)根据您的要求签订或履行合同所必需的;

8)用于维护“佳利达官网”软件及相关服务的安全稳定运行所必需的,例如发现、处置“佳利达官网”软件及相关服务的故障;

9)为合法的新闻报道所必需的;

10)学术研究机构基于公共利益开展统计或学术研究所必要,且对外提供学术研究或描述的结果时,对结果中所包含的个人信息进行去标识化处理的;

11)与我们履行法律法规规定的义务相关的 ;

12)法律法规规定的其他情形。

特别提示您注意,如信息无法单独或结合其他信息识别到您的个人身份,其不属于法律意义上您的个人信息;当您的信息可以单独或结合其他信息识别到您的个人身份时或我们将无法与任何特定个人信息建立联系的数据与其他您的个人信息结合使用时,这些信息在结合使用期间,将作为您的个人信息按照本隐私政策处理与保护。

二、对 Cookie 和同类技术的使用

(一)Cookie 和同类技术是互联网中的通用常用技术。当您使用“佳利达官网”及相关服务时,我们可能会使用相关技术向您的设备发送一个或多个 Cookie 或匿名标识符,以收集和存储您访问、使用本产品时的信息,进一步了解您的偏好,进行咨询或数据分析,改善产品服务即用户体验,或及时发现并防范安全风险,为您提供更好的服务。我们使用 Cookie 和同类技术主要为了实现以下功能或服务:

1.保障产品与服务的安全、高效运转

我们可能会设置认证与保障安全性的 cookie 或匿名标识符,使我们确认您是否安全登录服务,或者是否遇到盗用、欺诈等不法行为。这些技术还会帮助我们改进服务效率,提升登录和响应速度。

2.帮助您获得更轻松的访问体验

使用此类技术可以帮助您省去重复您填写个人信息、输入搜索内容的步骤和流程(例如:记录搜索历史)。

(二)我们平台上还可能包含一些电子图像(以下简称\"单像素GIF文件\"\"网络Beacon\"),使用网络Beacon可以计算浏览网页的用户或访问某些Cookie,我们会通过网络Beacon收集您浏览网页活动的信息,例如:Internet协议(IP)地址,浏览器类型,Internet服务提供商(ISP),参考/退出页面,操作系统,日期/时间戳,和点击数据流等。

三、我们如何存储个人信息

(一)信息存储的地点

我们依照法律法规的规定,将在境内运营过程中收集和产生的您的个人信息存储于中华人民共和国境内。目前,我们不会将上述信息传输至境外,如果我们向境外传输,我们将会遵循法律法规的规定,征求您的自主选择同意。

(二)存储期限

我们仅在为提供“佳利达官网”及服务之目的所必需的期间内保留您的个人信息,超出必要期限后,我们将对您的个人信息进行删除或匿名化处理,但法律法规另有规定的除外。

四、我们如何共享、转让、公开披露个人信息

(一)除以下情况外,我们不会向其他人共享您的个人信息:

1.在获取明确同意情况下的共享:获得您的明确同意后,“佳利达官网”会向您指定的第三方共享您授权范围内的信息。

2.在法定情形下的共享:“佳利达官网”可能会根据法律法规的规定、诉讼争议解决的需要,或按照行政、司法机关依法提出的要求,对外共享您的个人信息。

3.共享给“佳利达官网”的关联公司:您的信息可能会在“佳利达官网”的关联公司内共享。例如,对于使用同一套账户体系的业务,我们会在关联公司内共享您的账户信息(账户、密码、昵称及其他用户基础资料);出于维护平台秩序、保护凭条或其他用户合法权利的需要,我们会在关联公司内共享您违法、违约、违反平台规则的行为。我们只会共享必要的个人信息,且受本隐私政策中所声明目的的约束,如果我们共享您的个人敏感信息或关联公司改变个人信息的使用及处理目的,我们会再次证的您的授权同意。

4.共享给业务合作伙伴:“佳利达官网”可能会向合作伙伴等第三方共享您的个人信息,以保障为您提供的服务顺利完成。但我们仅会出于合法、正当、必要、特定、明确的目的共享您的个人信息,并且只会共享提供服务所必要的个人信息。我们的合作伙伴包括:

1)您通过“佳利达官网”平台使用第三方服务时,我们会按照本政策列明的共享内容与提供服务的第三方共享您的个人信息。

2)广告、分析服务类的授权合作伙伴。我们会委托这些合作伙伴处理与广告覆盖面和有效性相关的信息,但不会提供您的个人身份信息,或者我们将这些信息进行匿名化处理,以便它不会识别您个人。这类合作伙伴可能将上述信息与他们和发货区的其他数据相结合,以执行我们委托的广告服务或决策建议。

3)如果您通过“佳利达官网”平台参加第三方举办或者“佳利达官网”与第三方联合举办的营销、推广活动,我们需要与第三方共享您的姓名、身份证号、手机号码、收货地址、银行卡号或者其他必要的信息,以方便第三方统计活动参与情况、获奖情况,为您绑定您获取的优惠券、发放权益、邮寄您获取的奖品等。

4)供应商、服务提供商或其他合作伙伴。“佳利达官网”可能会将您的个人信息共享给支持我们功能的第三方,包括为我们提供基础设施技术服务、实名验证服务及其他按身份验证服务、人脸识别服务、支付服务、数据处理服务的第三方等。我们共享这些信息的目的是为了实现产品及服务的功能,比如我们需要将您的姓名和身份证号共享给实名验证服务供应商,以进行实名验证;或者我们需要与人脸识别供应商共享您的面部识别特征及姓名、身份证号,以识别您是否本人使用服务;或者我们需要将您的订单号和订单金额与第三方支付机构共享已实现其确认您的支付指令并完成支付等。

我们会与共享个人信息的公司、组织和个人签署严格的保密协议,要求他们严格按照本政策声明的目的使用个人信息及采取相关的保密和安全措施来处理个人信息。

5)为维护用户合法权益,在协助处理与您有关的交易纠纷或争议时,我们可能向您的交易相对方或存在利害关系的第三方提供解决交易纠纷或争议所必需的信息。

(二)如发生收购、兼并、重组等变更,我们会要求变更后的主体依然遵守本隐私政策约定,履行原有责任及义务。如变更后的主体需变更个人信息使用目的,我们会要求其事先获得您的明示同意。对内而言,在之前的收购、兼并活动中,对于被收购、被兼并对象管理的数据 (包括用户数据)均采用与“佳利达官网”自有数据相同的标准和 要求进行处理和保护。

(三)我们将遵守相关法律法规,对您的个人信息予以保密。除非事先获得您的明确同意或授权,或依照法律规定所必需的,或是去标识化/匿名化处理后的信息,我们不会向第三方公开披露您的个人信息。(四)另外,根据相关法律法规及国家标准,以下情形中,我们可能会共享、转让、公开披露个人信息无需事先征得个人信息主体的授权同意:

1)与国家安全、国防安全直接相关的;

2)与公共安全、公共卫生、重大公共利益直接相关的;

3)与犯罪侦査、起诉、审判和判决执行等直接相关的;

4)出于维护个人信息主体或其他个人的生命、财产等重大合法权益但又很难得到本人同意的;

5)个人信息主体自行向社会公众公开的个人信息;

6)从合法公开披露的信息中收集个人信息的,如合法的新闻报道、政府信息公开等渠道;

(7)与我们履行法律法规规定的义务相关的 。

五、您的权利

按照中国相关的法律、法规、标准,以及其他国家、地区的通行做法,我们保障您对自己的个人信息行使以下权利:

(一)访问您的个人信息

您有权访问您的个人信息,法律法规规定的例外情况除外。如果您想行使数据访问权,可以通过以下方式自行访问:

账户信息:如果您希望访问或编辑您的账户中的个人资料信息、更改您的密码,您可以在佳利达官网的“个人中心”、“更多设置”中进行查询、访问、更正。

如果您无法通过上述链接访问这些个人信息,您可以随时使用致电客服电话我们将及时解决您的问题和需求。

(二)更正您的个人信息

当您发现我们处理的关于您的个人信息有错误时,您有权要求我们做出更正。您可以通过致电客服电话提出更正申请。

(三)注销您的账户

如果您出于个人需求要注销您的“佳利达官网”账户并不再需要“佳利达官网”为您提供服务,您可以进入客服中心界面与我们联系或通过致电客服团队要求注销账号,我们会在您注销账号后及时删除您的个人信息或对您的个人信息进行匿名化处理。

(四)改变您授权同意的范围

每个业务功能需要一些基本的个人信息才能得以完成(见本政策“第一部分”)。对于额外收集的个人信息的收集和使用,您可以随时给予或收回您的授权同意。您可以通过关闭设备功能等方式改变您授权我们继续收集信息的范围或撤回您的授权:

当您收回同意后,我们将不再处理相应的个人信息。但您收回同意的决定,不会影响此前基于您的授权而开展的个人信息处理。

(五)投诉举报

您可按照我们公示的制度进行投诉或举报。如果您认为您的个人信息权利可能受到侵害,或者发现侵害个人信息权利的线索(例如:认为我们收集您的个人信息违反法律规定或者双方约定),您可以进入客服中心界面或致电客服电话、与我们联系。我们核查后会及时反馈您的投诉与举报。

(六)约束信息系统自动决策

在某些业务功能中,我们可能运用非人工自动决策机制做出决定,如果这些决定显著影响您的合法权益,您有权要求我们做出解释。

对于您合理的请求,我们原则上不收取费用,但对多次重复、超出合理限度的请求,我们将视情收取一定成本费用。对于那些无端重复、需要过多技术手段(例如,需要开发新系统或从根本上改变现行惯例)、给他人合法权益带来风险或者非常不切实际(例如,涉及备份磁带上存放的信息)的请求,我们可能会予以拒绝。

在以下情形中,按照法律法规要求,我们将无法响应您的请求:

1、与国家安全、国防安全有关的;

2、与公共安全、公共卫生、重大公共利益有关的;

3、与犯罪侦查、起诉和审判等有关的;

4、有充分证据表明您存在主观恶意或滥用权利的;

5、响应您的请求将导致您或其他个人、组织的合法权益受到严重损害的。

六、我们如何处理儿童的个人信息

我们的产品、网站和服务主要面向成人。如果没有父母或监护人的同意,儿童不得创建自己的用户账户。

对于经父母同意而收集儿童个人信息的情况,我们只会在受到法律允许、父母或监护人明确同意或者保护儿童所必要的情况下使用或公开披露此信息。

尽管当地法律和习俗对儿童的定义不同,但我们将不满 14 周岁的任何人均视为儿童。

如果我们发现自己在未事先获得可证实的父母同意的情况下收集了儿童的个人信息,则会设法尽快删除相关数据。

七、您的个人信息如何在全球范围转移

原则上,我们在中华人民共和国境内收集和产生的个人信息,将存储在中华人民共和国境内。

由于我们通过遍布全球的资源和服务器提供产品或服务,这意味着,在获得您的授权同意后,您的个人信息可能会被转移到您使用产品或服务所在国家/地区的境外管辖区,或者受到来自这些管辖区的访问。

此类管辖区可能设有不同的数据保护法,甚至未设立相关法律。在此类情况下,我们会确保您的个人信息得到在中华人民共和国境内足够同等的保护。例如,我们会请求您对跨境转移个人信息的同意,或者在跨境数据转移之前实施数据去标识化等安全举措。

八、本隐私权政策如何更新

我们可能适时会对本隐私权政策进行调整或变更,本隐私权政策的任何更新将以标注更新时间的方式公布在我们网站上,除法律法规或监管规定另有强制性规定外,经调整或变更的内容一经通知或公布后的7日后生效。如您在隐私权政策调整或变更后继续使用我们提供的任一服务或访问我们相关网站的,我们相信这代表您已充分阅读、理解并接受修改后的隐私权政策并受其约束。

九、如何联系我们

      1、如您对本隐私政策内容有任何疑问、意见或建议,您可随时通过本网站客服与我们联系。你也可以将你的疑问、意见或建议发送至liudanping@jd-link.com


2、如果您对我们的回复不满意,认为我们的个人信息处理行为损害了您的合法权益,您可向网信、电信、公安及工商等监管部门进行举报或向位于中国江苏省的无锡市新吴区人民法院提起诉讼。